银河娱乐6163net(Macau)股份有限公司-Official website

银河娱乐6163net/NIDEC

在本网站内搜索

在本网站内搜索

在本网站内搜索

在本网站内搜索

产品搜索

可以按照用途、规格及性能的关键词,对NIDEC(银河娱乐6163net)集团各公司经营的商品进行检索。

可以按照用途、规格及性能的关键词,对NIDEC(银河娱乐6163net)集团各公司经营的商品进行检索。

关闭

Menu

首页 按用途查找产品 商业/娱乐 商用空调 (HVAC) 开关 限位开关 CL-DA

返回上一页

限位开关 CL-DA

小型、薄型检测开关

低背设计 与A-TCA标准开关相同的形状 符合RoHS规范

特点
采用金触点,可靠性高 侧面操作对应类型 可自动安装 2mm 薄型设计

产品咨询

少量的订购,可通过以下商城进行

产品参数

基本信息

电路 SPST
端子类型 鸥翼型
安装类型 表面贴装 直角/通孔
开关功能 ON-(OFF) OFF-(ON)
工作温度 −40 ~ 85 °C
储存温度 −40 ~ 85 °C
净重 约 0.093 g
密封性 不可水洗

产品信息

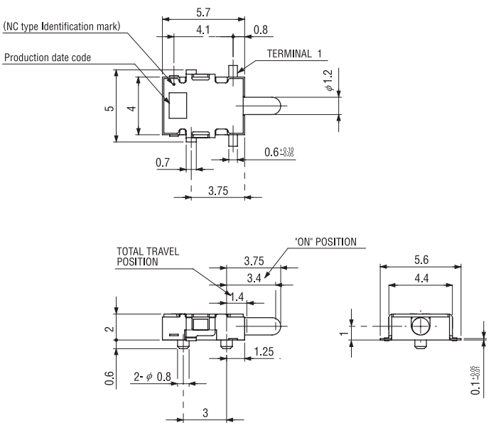
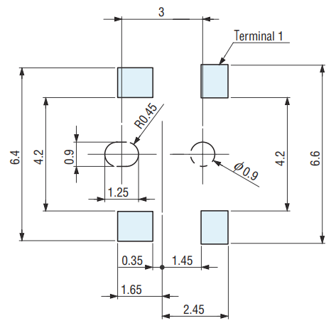
设计图

①外形尺寸图

②推荐焊盘外形尺寸

电气特性

接点额定 接触:12 VDC, 100 mA
最小:20 mVDC, 1 μA
接触电阻 最大 100 mΩ
绝缘电阻 最大100 MΩ(100 VDC)
介电强度 250 VAC, 60s

机械特性

行程 Pre-travel: 0.35mm Over-travel:2.0mm Total: 2.35mm
操作力 0.75 N {0.075 kgf}
操作部强度 5 N {0.51 kgf}, 60 s
可焊性 245 ± 3 °C, 2 ~ 3 s
焊接耐热 回流焊:260°C (Peak temperature)
粘接强度 5 N {0.51 kgf} 10 s
基板耐弯曲性 Width 90 mm, bend 3 mm, 5 s, 1 time
拉断强度 5 N {0.51 kgf} 10 s

环境特性

耐振动 全振幅1.5mm或加速度98m/s 2,10-500Hz,3个方向,每个周期10次
耐冲击性 490 m/s 2,11mm 6个方向,每个周期3次
耐久性 连续负载 100,000 cycles 5VDC, 1mA
温度/湿度周期 −10 ~ 65 °C, 相对湿度 0 ~ 96 %, 24 h for 10 次周期
耐热性 85 °C, 96 h 无负荷
耐寒性 −40 °C, 96 h无负荷
温度周期性 −40 (0.5 h) ~ 85 °C (0.5 h), 5 周期

型号显示

CL-DA- 1 C B4- A 2 T

系列名称

位置数

01: 1 bit

开关特性

B:ON (OFF)
C:OFF (ON)

端接样式

B4: 鷗翼

操作部形狀

A:标准

接触材料

2:镀金

包装形式

T:编带 (卷轴)

型号一览表

型号 位置数 开关特性 端接样式 操作部形狀 接触材料 包装形式
CL-DA-1BB4-A2T 1极 ON − (OFF) 鸥翼 标准 镀金 编带 (卷轴)
CL-DA-1CB4-A2T 1极 OFF − (ON) 鸥翼 标准 镀金 编带 (卷轴)

关联信息

产品咨询

关注官方微信公众号,了解更多详情

返回上一页

Baidu
sogou