银河娱乐6163net(Macau)股份有限公司-Official website

银河娱乐6163net/NIDEC

在本网站内搜索

在本网站内搜索

在本网站内搜索

在本网站内搜索

产品搜索

可以按照用途、规格及性能的关键词,对NIDEC(银河娱乐6163net)集团各公司经营的商品进行检索。

可以按照用途、规格及性能的关键词,对NIDEC(银河娱乐6163net)集团各公司经营的商品进行检索。

关闭

Menu

首页 按用途查找产品 商业/娱乐 商用空调 (HVAC) 开关 限位开关 CL-DB

返回上一页

限位开关 CL-DB

超紧凑型检测开关

与 μ-TCA 标准开关形状相同 符合RoHS规范

特点
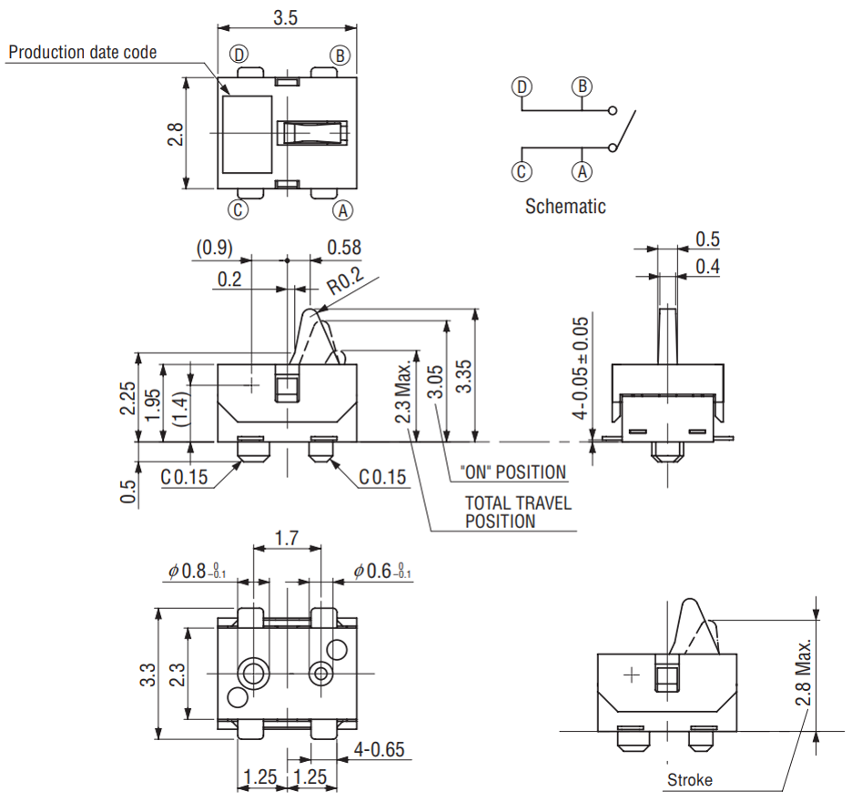
超小尺寸,紧凑而薄 采用金触点,可靠性高 顶部和侧面操作对应类型 可自动安装 安裝高度 3.35mm

产品咨询

少量的订购,可通过以下商城进行

产品参数

基本信息

电路 SPST
端子类型 鸥翼型
安装类型 表面贴装
开关功能 OFF-(ON)
工作温度 −40 ~ 85 °C
储存温度 −40 ~ 85 °C
净重 约 0.02 g
密封性 不可水洗

产品信息

设计图

①外形尺寸图

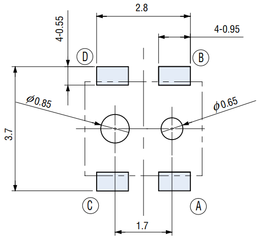
②推荐的PCB焊盘尺寸

电气特性

接点额定 接触:5 VDC, 15 mA
最小:20 mVDC, 1 μA
接触电阻 最大 300 mΩ
绝缘电阻 最大100 MΩ(100 VDC)
介电强度 250 VAC, 60s

机械特性

行程 Pre-travel: 0.30mm Over-travel: 0.75mm total: 1.05mm
操作力 0.34 N {0.035 kgf}
操作部强度 2 N {0.2 kgf}, 60 s
可焊性 245 ± 3 °C, 2 ~ 3 s
焊接熱 回流焊:260 °C (Peak temperature)
粘接强度 5 N {0.51 kgf} 10 s
基板弯曲性 Width 90 mm, bend 3 mm, 5 s, 1 time
拉断强度 5 N {0.51 kgf} 10 s

环境特性

耐振动 全振幅1.5mm或加速度98m/s2,10-500Hz,3个方向,每个周期10次
耐冲击性 490 m/s2,11mm 6个方向,每个周期3次
耐久性 连续负载 1000次循环,DC6±0.5 V, 100±10 mA
湿度周期 -10~65℃,相对湿度 0~96%,24 h,10次周期
耐热性 85℃,96 h
耐寒性 -40℃,96 h
温度周期性 -40(0.5 h)~85℃(0.5 h),5 周期

型号一览表

型号 位置数 开关特性 端接样式 操作部形狀 接触材料 包装形式
CL-DB-1CB-A2T 1极 OFF − (ON) 鸥翼 标准 镀金 编带 (卷轴)

关联信息

产品咨询

关注官方微信公众号,了解更多详情

返回上一页

Baidu
sogou