
卡入式安装限位开关
触点采用自清洁机制 连接器安装兼容端子 符合RoHS规范
| 电路 | SPST |
|---|---|
| 端子类型 | 连接器 |
| 安装类型 | 卡扣式面板安装 |
| 开关功能 | ON-(OFF) OFF-(ON) |
①开关特性

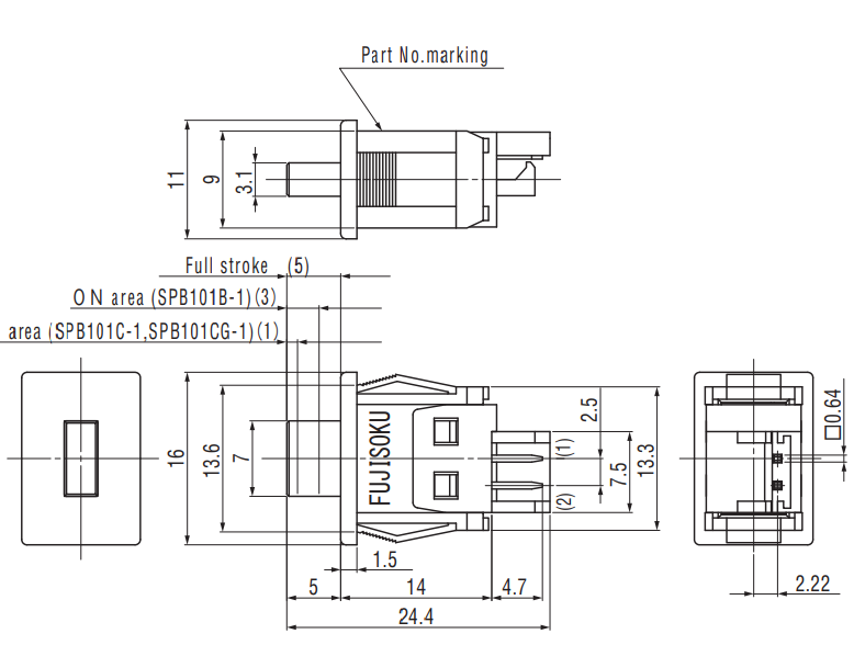
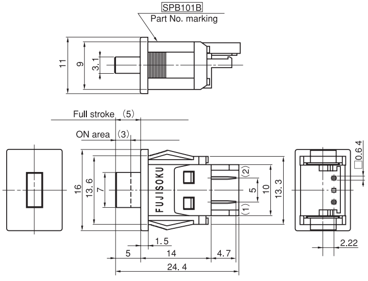
②外形尺寸图
◆SPB101BG(镀金)
※Female connector EHR-3 J.S.T MFG CO.,LTD

◆SPB101B-1(镀银)
SPB101C-1(镀银)
SPB101CG-1(镀金)
※Female connector EHR-2 J.S.T MFG CO.,LTD.

③面板开孔尺寸
◆安装面板有效厚度:1~2mm

※切割面板背面的边缘应呈方形,以便开关盒牢固地咬住面板
| 额定 | 镀银触点: 最大DC48V 50mA (电阻负载) 最小DC20mV 0.5mA(电阻负载) 镀金触点: 最大DC48V 50mA (电阻负载) 最小DC20mV 1 μA(电阻负载) |
|---|---|
| 耐电压 | AC500V 一分钟 |
| 初始接触电阻 | 100mΩ 以下(AC200μV 1.5mA) |
| 绝缘电阻 | 100MΩ 以上 (DC500V) |
| 电气寿命 | 50,000次 |
| 操作力 | 1.47~2.94N |
| 行程 | 5mm(没有节制) |
| 工作温度范围 | -25~+85℃ |
| 相容连接器 | 日本圧着端子制造㈱制 EHR-3(SPB101BG) EHR-2(SPB101B-1,SPB101C-1,SPB101CG-1) |
| 型号 | 开关特性 | 接触材料 |
|---|---|---|
| ★SPB101BG | ON -(OFF) | 镀金 |
| ★SPB101B - 1 | ON -(OFF) | 镀银 |
| SPB101C-1 | OFF- (ON) | 镀银 |
| ★SPB101CG- 1 | OFF- (ON) | 镀金 |
关注官方微信公众号,了解更多详情