银河娱乐6163net(Macau)股份有限公司-Official website

银河娱乐6163net/NIDEC

在本网站内搜索

在本网站内搜索

在本网站内搜索

在本网站内搜索

产品搜索

可以按照用途、规格及性能的关键词,对NIDEC(银河娱乐6163net)集团各公司经营的商品进行检索。

可以按照用途、规格及性能的关键词,对NIDEC(银河娱乐6163net)集团各公司经营的商品进行检索。

关闭

Menu

首页 按用途查找产品 商业/娱乐 商用空调 (HVAC) 开关 摇杆开关 ELW

返回上一页

摇杆开关 ELW

小型AC电源用摇杆开关

具有高防尘性和防水性 不仅可以用于通用设备, 也推荐安装在工程机械、 厨房设备等恶劣环境中 面板顶部:相当于IP67 面板内部:相当于IP60 符合RoHS规范

特点
防尘防水,提高环境耐受性 实现清晰的点击感 用粘合剂将端子周围密封 4种开关特性可选

产品咨询

少量的订购,可通过以下商城进行

产品参数

基本信息

电路 SPST
端子类型 焊片
安装类型 面板安装
开关功能 ON - OFF ON - ON ON - OFF - ON (ON) - OFF - (ON)
工作温度 −10℃~+70℃
储存温度 −20℃~+80℃
密封性 面板顶部:相当于IP67 面板内部:相当于IP60

产品信息

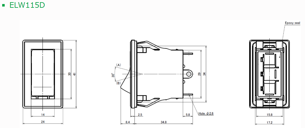
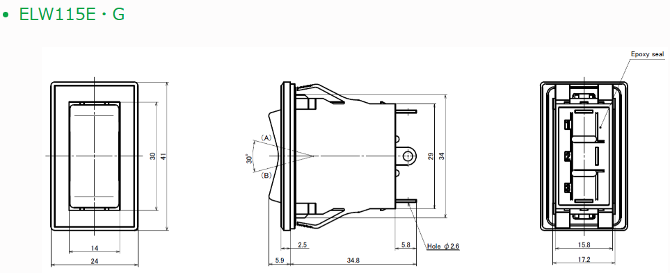
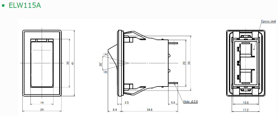
设计图

①外形尺寸图

②面板切口尺寸

标准规格

额定 15A 127V
10A 250V
初始接触电阻 20 mΩ max.( 1A 2~4V DC )
介电强度 1,500 V AC 1minute
绝缘阻抗 100 MΩ min. (500 V DC)
电气寿命 25,000 cycles

开关特性

A ON OFF
接线端子 1-3
D ON   ON
E ON OFF ON
G (ON) OFF (ON)
接线端子 2-3 2-1

型号一览表

型号 极数 电流容量 端接样式 开关特性
ELW115A12 1极 15A 焊接端子 ON - OFF
ELW115D12 1极 15A 焊接端子 ON - ON
ELW115E12 1极 15A 焊接端子 ON - OFF - ON
ELW115G12 1极 15A 焊接端子 (ON) - OFF - (ON)

关联信息

产品咨询

关注官方微信公众号,了解更多详情

返回上一页

Baidu
sogou