银河娱乐6163net(Macau)股份有限公司-Official website

银河娱乐6163net/NIDEC

在本网站内搜索

在本网站内搜索

在本网站内搜索

在本网站内搜索

产品搜索

可以按照用途、规格及性能的关键词,对NIDEC(银河娱乐6163net)集团各公司经营的商品进行检索。

可以按照用途、规格及性能的关键词,对NIDEC(银河娱乐6163net)集团各公司经营的商品进行检索。

关闭

Menu

首页 按用途查找产品 商业/娱乐 商用空调 (HVAC) 开关 摇杆开关 8V-M

返回上一页

摇杆开关 8V-M

小型PCB杠杆·摇杆开关

杠杆和摇杆有四种哑光颜色,可以选择与面板设计相匹配的颜色 符合RoHS规范

特点
专为印刷电路板设计 轻松直接安装在印刷电路板上 并配有支架确保开关安装稳定 UL/CSA认证

产品参数

基本信息

电路 SPDT 2PDT
端子类型 PC引脚
安装类型 通孔
开关功能 ONーON ONー(ON)
工作温度 -30~+85℃
储存温度 −40 ~ 85 °C
密封性 无可水洗

产品信息

设计图

①端子形状

②印刷电路板安装图

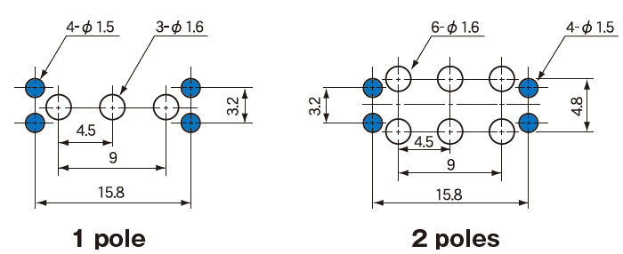
③印刷电路板孔尺寸


 

④外形尺寸图



⑤安装杠杆和摇杆

◆从上方插入附带的杠杆或摇杆将其连接到开关上

标准规格

最大额定 AC125V 6A / AC250V 3A / DC30V 4A
初始接触电阻 10mΩ Max.(2~4VDC 1A)
初始耐电压 AC1500V 1分钟
初始绝缘电阻 1000MΩMin. (DC500V)
电气寿命 替代类型:50,000次
瞬时类型:25,000次

焊接规格

手工焊接 设备:烙铁
420度, Max .; 3 sec., Max.
自动焊接 最高 275度±10度 最长5秒
以上焊接条件仅适用于PC端子型。

洗涤规格

1. 请使用含氟或酒精类溶剂。
2. 由于本产品不防水,如需清洁PC板,请用刷子刷焊锡表面,以免清洁液沾到开关本体上

型号显示

8 V-M 1 01 1 C- Z

系列名

操作部形狀

V-M:小型杠杆·摇臂

极数

1:1极
2:2极

开关特性

01:ON-ON
06:ON-(ON)

端接样式

1:焊接端子
2:PC端子

接触电镀和材料

无:Bs+Ag or Cu+Ag/Ag 
C:Bs+Ag or Cu+Ag/Ni+Au
Bs=Brass.
Cu=Copper.
Ag=Silver.
Ni=Nickel.
Au=Gold

 

型号一览表

型号 电路配置 开关特性
 8V1012-M-Z SPDT ON - ON
★8V1062-M-Z SPDT ON - (ON)
8V2012-M-Z DPDT ON - ON
★8V2062-M-Z DPDT ON - (ON)

标准配件(该主开关的附件)

种类 型号 颜色
摇杆 140000050427 白色
140000050428 红色
140000050450 灰色
翘板 140000480509 白色
140000480510 红色
140000480511 黒色
※订购时请注明翘板或摇杆型号。

关联信息

产品咨询

关注官方微信公众号,了解更多详情

返回上一页

Baidu
sogou